Product Summary
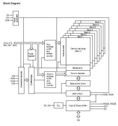
The EDE1116AEBG-6E-F is a 1G bits DDR2 SDRAM.
Parametrics
EDE1116AEBG-6E-F absolute maximum ratings: (1)Power supply voltage, VDD: -1.0 to +2.3 V; (2)Power supply voltage for output, VDDQ: -0.5 to +2.3 V; (3)Input voltag,e VIN: -0.5 to +2.3 V; (4)Output voltage, VOUT: -0.5 to +2.3 V; (5)Storage temperature, Tstg: -55 to +100℃; (6)Power dissipation, PD: 1.0 W; (7)Short circuit output current, IOUT: 50 mA.
Features
EDE1116AEBG-6E-F features: (1)Double-data-rate architecture; two data transfers per clock cycle; (2)The high-speed data transfer is realized by the 4 bits prefetch pipelined architecture; (3)Bi-directional differential data strobe (DQS and /DQS) is transmitted/received with data for capturing data at the receiver; (4)DQS is edge-aligned with data for READs; center-aligned with data for WRITEs; (5)Differential clock inputs (CK and /CK); (6)DLL aligns DQ and DQS transitions with CK transitions; (7)Commands entered on each positive CK edge; data and data mask referenced to both edges of DQS; (8)Data mask (DM) for write data; (9)Posted /CAS by programmable additive latency for better command and data bus efficiency; (10)Off-Chip-Driver Impedance Adjustment and On-Die-Termination for better signal quality; (11)Programmable RDQS, /RDQS output for making × 8 organization compatible to × 4 organization; (12)DQS, (/RDQS) can be disabled for single-ended Data Strobe operation.
Diagrams

![]()  | 
                            ![]() EDE1104AASE  | 
                            ![]() Other  | 
                            ![]()  | 
                            ![]() Data Sheet  | 
                            ![]() Negotiable  | 
                            
                            	 | 
                      ||||
![]()  | 
                            ![]() EDE1104ABSE  | 
                            ![]() Other  | 
                            ![]()  | 
                            ![]() Data Sheet  | 
                            ![]() Negotiable  | 
                            
                            	 | 
                      ||||
![]()  | 
                            ![]() EDE1104ACBG  | 
                            ![]() Other  | 
                            ![]()  | 
                            ![]() Data Sheet  | 
                            ![]() Negotiable  | 
                            
                            	 | 
                      ||||
![]()  | 
                            ![]() EDE1104ACSE  | 
                            ![]() Other  | 
                            ![]()  | 
                            ![]() Data Sheet  | 
                            ![]() Negotiable  | 
                            
                            	 | 
                      ||||
![]()  | 
                            ![]() EDE1108AASE  | 
                            ![]() Other  | 
                            ![]()  | 
                            ![]() Data Sheet  | 
                            ![]() Negotiable  | 
                            
                            	 | 
                      ||||
![]()  | 
                            ![]() EDE1108ACBG-8E-E  | 
                            ![]() Other  | 
                            ![]()  | 
                            ![]() Data Sheet  | 
                            ![]() Negotiable  | 
                            
                            	 | 
                      ||||
 (China (Mainland)) 
                         
                        
                                    






