Product Summary
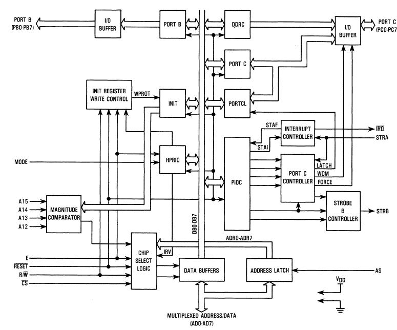
The MC68HC25FN is a perpheral device which replaces ports B and C of the MC68HC11 microcomputer(MCU). These ports are lost when the MCU is placed in the expanded or special test modes of operation. Port B is a generaql purpose output port.Port C is a general purpose input/output port complemented by full handshake capability. This device can also be used in an emulator as a replacement for port B, port C, STRA, and STRB. Applications requiring external memory in early prodution or top of the line models can also use the MC68HC25FN for parallel I/O. When used in these expanded systems, a later switch to a single chip solution will be transparent to software.
Parametrics
MC68HC25FN absolute maximum ratings: (1)Supply voltage, VDD: -0.5 to +7.0V; (2)Input voltage, Vin: VSS-0.5 to VDD +0.5V; (3)Current drain per pin, IIK: 25mA; (4)Operating temperature range, TA: -40 to +85℃; (5)Storage temperature range, Tstg: -55 to +150℃.
Features
MC68HC25FN features: (1)Supports all handshake and I/O modes of the MC68HC11 ports; (2)Automtic conformance to the MC68HC11 Variable menory map; (3)Multiplexed address/data bus; (4)3.0- to 5.5- Volt operation; (5)Can be used with the MC68HC11, MC68HC01, MC146805E2, MC146805E3, and other CMOS microcomputers; (6)0- to 2.1- MHz operation; (7)Software compatible to MC68HC11 in single-chip mode; (8)Minimizes software overhead for Parallel I/O handshake protocols.
Diagrams

![]() |
![]() MC6800 |
![]() Other |
![]() |
![]() Data Sheet |
![]() Negotiable |
|
||||
![]() |
![]() MC6801 |
![]() Other |
![]() |
![]() Data Sheet |
![]() Negotiable |
|
||||
![]() |
![]() MC68020 |
![]() Other |
![]() |
![]() Data Sheet |
![]() Negotiable |
|
||||
![]() |
![]() MC68020CEH16E |
![]() Freescale Semiconductor |
![]() Microprocessors (MPU) 32-BIT MPU |
![]() Data Sheet |
![]() Negotiable |
|
||||
![]() |
![]() MC68020CEH25E |
![]() Freescale Semiconductor |
![]() Microprocessors (MPU) 32-BIT MPU |
![]() Data Sheet |
![]() Negotiable |
|
||||
![]() |
![]() MC68020CRC16E |
![]() Freescale Semiconductor |
![]() Microprocessors (MPU) 32-BIT MPU |
![]() Data Sheet |
![]() Negotiable |
|
||||
(China (Mainland))









