Product Summary
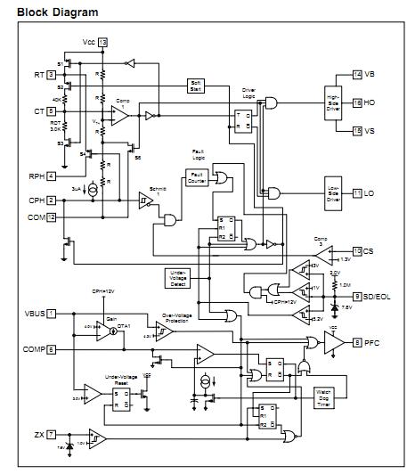
The IR2166SPBF is a fully integrated, fully protected 600V ballast control IC designed to drive all types of fluorescent lamps. PFC circuitry operates in critical conduction mode and provides for high PF, low THD and DC Bus regulation. The IR2166SPBF features include programmable preheat and run frequencies, programmable preheat time, programmable dead-time, programmable over-current protection, and programmable end-of-life protection. Comprehensive protection features such as protection from failure of a lamp to strike, filament failures, end-of-life protection, DC bus undervoltage reset as well as an automatic restart function, have been included in the design. The IR2166SPBF is available in both 16-lead PDIP and 16-lead (narrow body) SOIC packages.
Parametrics
IR2166SPBF absolute maximum ratings: (1)VB, High side floating supply voltage: -0.3 to 625V; (2)VS, High side floating supply offset voltage: VB - 25 to VB + 0.3V; (3)VHO, High side floating output voltage: VS - 0.3 to VB + 0.3V; (4)VLO, Low side output voltage: -0.3 to VCC + 0.3V; (5)VPFC, PFC gate driver output voltage: -0.3 to VCC + 0.3V; (6)IOMAX, Maximum allowable output current (HO, LO, PFC) due to external power transistor miller effect: -500 to 500mA; (7)VBUS, VBUS pin voltage: -0.3 to VCC + 0.3V; (8)VCT, CT pin voltage: -0.3 to VCC + 0.3V; (9)ICPH, CPH pin current: -5 to 5mA; (10)IRPH, RPH pin current: -5 to 5mA; (11)VRPH, RPH pin voltage: -0.3 to VCC + 0.3 V; (12)IRT, RT pin current: -5 to 5 mA; (13)VRT, RT pin voltage: -0.3 to VCC + 0.3V; (14)VCS, Current sense pin voltage: -0.3 to 5.5V; (15)ICS, Current sense pin current: -5 to 5mA; (16)ISD/EOL, Shutdown pin current: -5 to 5mA; (17)ICC, Supply current: -20 to 20mA; (18)IZX, PFC inductor current, zero crossing detection input current: -5 to 5mA; (19)ICOMP, PFC error compensation current: -5 to 5mA; (20)dV/dt, Allowable offset voltage slew rate: -50 to 50 V/ns; (21)PD, Package power dissipation: 1.80W; (22)RthJA, Thermal resistance, junction to ambient: 70℃/W; (23)TJ, Junction temperature: -55 to 150℃; (24)TS, Storage temperature: -55 to 150℃; (25)TL, Lead temperature (soldering, 10 seconds): 300℃.
Features
IR2166SPBF features: (1)PFC, Ballast control and half-bridge driver in one IC; (2)Critical conduction mode boost type PFC; (3)No PFC current sense resistor required; (4)Programmable preheat frequency; (5)Programmable preheat time; (6)Programmable run frequency; (7)Programmable over-current protection; (8)Programmable end-of-life protection; (9)Programmable dead time; (10)Internal ignition ramp; (11)Internal fault counter; (12)DC bus under-voltage reset; (13)Shutdown pin with hysteresis; (14)Internal 15.6V zener clamp diode on Vcc; (15)Micropower startup (150μA); (16)Latch immunity and ESD protection; (17)16-Lead PDIP also available LEAD-FREE.
Diagrams

| Image | Part No | Mfg | Description | ![]() |
Pricing (USD) |
Quantity | ||||||||||||
|---|---|---|---|---|---|---|---|---|---|---|---|---|---|---|---|---|---|---|
![]() |
![]() IR2166SPBF |
![]() International Rectifier |
![]() Power Driver ICs |
![]() Data Sheet |
![]()
|
|
||||||||||||
| Image | Part No | Mfg | Description | ![]() |
Pricing (USD) |
Quantity | ||||||||||||
![]() |
![]() IR2101 |
![]() |
![]() IC DRIVER HIGH/LOW SIDE 8-DIP |
![]() Data Sheet |
![]() Negotiable |
|
||||||||||||
![]() |
![]() IR2101(S) |
![]() Other |
![]() |
![]() Data Sheet |
![]() Negotiable |
|
||||||||||||
![]() |
![]() IR21014 |
![]() International Rectifier |
![]() IC DRIVER HIGH/LOW SIDE 14-DIP |
![]() Data Sheet |
![]() Negotiable |
|
||||||||||||
![]() |
![]() IR21014S |
![]() International Rectifier |
![]() IC DRIVER HIGH/LOW SIDE 14-SOIC |
![]() Data Sheet |
![]() Negotiable |
|
||||||||||||
![]() |
![]() IR2101PBF |
![]() International Rectifier |
![]() Power Driver ICs |
![]() Data Sheet |
![]()
|
|
||||||||||||
![]() |
![]() IR2101S |
![]() |
![]() IC DRIVER HIGH/LOW SIDE 8-SOIC |
![]() Data Sheet |
![]() Negotiable |
|
||||||||||||
(China (Mainland))












