Product Summary
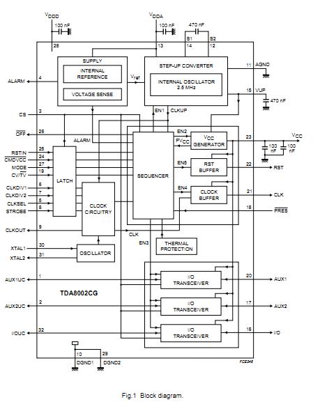
The TDA8002CT/C/C1 is a complete low-power analog interface for asynchronous and synchronous cards. It can be placed between the card and the microcontroller. The TDA8002CT/C/C1 performs all supply, protection and control functions. It is directly compatible with ISO 7816, GSM11.11 and EMV specifications.
Parametrics
TDA8002CT/C/C1 absolute maximum ratings: (1)VDDD, digital supply voltage: -0.3 to +6.5 V; (2)VDDA, analog supply voltage: -0.3 to +6.5 V; (3)VCC, card supply voltage pins: -0.3 to +6.5 V; (4)Vi(card), input voltage on card contact pins: -0.3 to +6.5 V; (5)Ves, electrostatic handling voltage on pins I/O, AUX2, PRES, PRES, AUX1, CLK, RST and VCC: -6 to +6kV; on all other pins: -2 to +2kV; (6)Tstg, storage temperature: -55 to +125℃; (7)Ptot, continuous total power dissipation: -25 to +85℃; (8)Tamb, ambient temperature: -25 to +85℃; (9)Tj, junction temperature: 150℃.
Features
TDA8002CT/C/C1 features: (1)Single supply voltage interface (3.3 or 5 V environment); (2)Low-power sleep mode; (3)Three specific protected half-duplex bidirectional buffered I/O lines; (4)VCC regulation 5 V ±5% or 3 V ±5%, ICC <55mAfor VDD = 3.0 to 6.5 V, with controlled rise and fall times; (5)Thermal and short-circuit protections with current limitations; (6)Automatic ISO 7816 activation and deactivation sequences; (7)Enhanced ESD protections on card side (>6 kV); (8)Clock generation for the card up to 12 MHz with; (9)synchronous frequency changes; (10)Clock generation up to 20 MHz (external clock) Synchronous and asynchronous cards (memory and smart cards); (11)ISO 7816, GSM11.11 compatibility and EMV (Europay, MasterCard and Visa) compliant; (12)Step-up converter for VCC generation; (13)Supply supervisor for spikes elimination and emergency deactivation; (14)Chip select input for easy use of several TDA8002Cs in parallel.
Diagrams

| Image | Part No | Mfg | Description | ![]()  | 
                            Pricing (USD)  | 
                            Quantity | ||||
|---|---|---|---|---|---|---|---|---|---|---|
![]()  | 
                            ![]() TDA8002CT/C/C1,512  | 
                            ![]() NXP Semiconductors  | 
                            ![]() I/O Controller Interface IC SMRT CRD INTERFCE IC  | 
                            ![]() Data Sheet  | 
                            ![]() Negotiable  | 
                            
                            	 | 
                      ||||
![]()  | 
                            ![]() TDA8002CT/C/C1,518  | 
                            ![]() NXP Semiconductors  | 
                            ![]() I/O Controller Interface IC SMRT CRD INTERFCE IC  | 
                            ![]() Data Sheet  | 
                            ![]() Negotiable  | 
                            
                            	 | 
                      ||||
 (China (Mainland)) 
                         
                        
                                    







