Product Summary
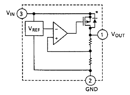
The S-81350HG-KD-T1G is a three-terminal positive voltage regulator made using a CMOS process. The output voltage is fixed internally. The S-81350HG-KD-T1G has higher accuracy of output voltage an needs a smaller input/output voltage difference than the S-812 series, so battery-powered portable eaquipment can have a higher capacity and longer service life. The applications of the S-81350HG-KD-T1G include: constant voltage power supply of VTR, camera, OA equipment, cordless phone, and others.
Parametrics
S-81350HG-KD-T1G absolute maximum ratings: (1)Input voltage VIN: 18V; (2)Output voltage VOUT: VIN+0.3 to VSS-0.3 V; (3)Power dissipation PD: 500mW; (4)Operating temperature Topr: -30 to +80 ℃; (5)Storage temperature Tstg: -40 to +125 ℃.
Features
S-81350HG-KD-T1G features: (1)Low current consumption: 16μA typ; (2)Small input/output voltage difference; (3)High accuracy of output voltage: ±2.4%; (4)Wide operating voltage range: 15V max; (5)Wide operating temperature range: -30 to 80℃; (6)TO-92 or SOT-89-3 plastic package.
Diagrams

![]() |
![]() S-8101-1-R |
![]() Cooper Bussmann |
![]() Fuseholders, Clips, & Hardware 300V 3/16"QC 1 Pos Straight |
![]() Data Sheet |
![]()
|
|
||||||||||||
![]() |
![]() S-8102-1-R |
![]() Cooper Bussmann |
![]() Fuseholders, Clips, & Hardware BUSS FUSEBLOCK |
![]() Data Sheet |
![]()
|
|
||||||||||||
![]() |
![]() S-8102-1X |
![]() Cooper Bussmann |
![]() Fuseholders, Clips, & Hardware BREAKAWAY FUSEBLOCK |
![]() Data Sheet |
![]()
|
|
||||||||||||
![]() |
![]() S-8102-2-R |
![]() Cooper Bussmann |
![]() Fuseholders, Clips, & Hardware 300V 3/16"QC 2 Pos 40 Deg. Angle |
![]() Data Sheet |
![]()
|
|
||||||||||||
![]() |
![]() S-8110 |
![]() |
![]() SWITCH ROTARY DIP 8-POS TOP |
![]() Data Sheet |
![]()
|
|
||||||||||||
![]() |
![]() S-8110C |
![]() Other |
![]() |
![]() Data Sheet |
![]() Negotiable |
|
||||||||||||
(China (Mainland))










